Можно ли поставить стиральную машину под столешницу?
Стиральную машинку привычно видеть в ванной комнате, где под рукой моющие средства, корзина с грязным бельем и прочие принадлежности. Но иногда планировка не позволяет разместить бытовую технику в санузле. В таком случае самый оптимальный вариант – кухня. Здесь также подведены все коммуникации, включая канализационный слив и трубу, подающую холодную воду. Остается только выбрать место, модель определенного размера, но порой приходится продумывать весь дизайн заново. Как подсоединить стиральную машинку под столешницу без ущерба для обстановки и удобства эксплуатации вы узнаете из статьи.
Установка стиральной машины на кухне: тонкости и нюансы
Начать нужно с того, что понять одну простую истину – далеко не каждую стиральную машину можно поместить под уже установленную мебель. Наверняка какой-то сантиметр не даст возможности сделать это без особого труда. Именно по этой причине продумывать такой монтаж стиральной машинки под столешницу нужно заранее – никаких специальных тумб делать для этого не придется. Машинка просто загоняется под столешницу между тумбочками и все. Если хотите повесить дверки, чтобы закрыть неприглядный вид этого агрегата (что возможно только с машинкой недомерком), тогда да – простейшую тумбочку придется изготовить.
Стиральная машина на кухне плюсы и минусы фото
Также следует учесть и высоту стиральной машины – любая здесь тоже может не подойти. В стандартном исполнении она не помещается под столешницу по высоте буквально на сантиметр-другой. Если мебель делается новая, то имеет смысл приподнять на это расстояние столешницу – менее удобной кухня от этого не станет. Как вариант, можно подыскать стиральный агрегат со съемным верхом – это, так сказать, промежуточное исполнение между отдельно устанавливаемой бытовой техникой и встраиваемой.
Теперь что касается непосредственного вопроса, как подключить стиральную машину на кухне? Ни для кого не секрет, что для ее работы необходимы водопровод, канализация и электрический ток. Именно об этих трех вещах и придется позаботиться в процессе монтажа стирального агрегата на кухне. Разберемся с ними несколько подробней и проясним ситуацию с вопросом, что и куда подключать?
Водопровод. Здесь все достаточно просто – на кухне имеется только одно место, где можно подсоединить к водопроводу стиральную машинку. Это место подключение смесителя. Именно в этом месте, а вернее в том, где подсоединен шланг подачи холодной воды к смесителю, придется врезать проходной тройник с краном. Это не сложно – отвинчиваем гибкий шланг и на его место с помощью пакли устанавливаем проходной кран-тройник для стиральной машины. Теперь на одну сторону тройника (там, где нет крана) навинчиваем шланг смесителя, а непосредственно к крану (выход у него как раз три четверти дюйма) подключаем шланг подачи воды к стиральной машине.
- Канализация. Со сливом дела обстоят еще проще. Здесь имеется два варианта – слив стиральной машины можно подключить либо к сифону, либо напрямую в канализацию. В первой ситуации понадобится заменить сифон – нужен такой, у которого имеется специальный патрубок для подключения стиральной машины. А во второй ситуации уже имеющийся сифон необходимо отсоединить от канализации, установить стандартный канализационный тройник, в один выпуск которого подключить сифон мойки, а во второй – сливной шланг стиральной машины. В последнем варианте для герметизации слива машинки в канализации используется резиновая манжета.
Электроэнергия. Решить вопрос с подачей электрического питания к стиральной машинке несколько сложнее, чем выполнить ее подключение к водопроводу и канализации – это мощный аппарат, для которого нужно создавать отдельную, оснащенную индивидуальным автоматическим выключателем линию. Это не проблема, если все заранее продумать на стадии ремонта – если же ремонт уже сделан, то, естественно, долбить стены никто не захочет. По большому счету, вариантов особых нет, кроме как тянуть отдельную ветку. Здесь – главное продумать, как это осуществить с наименьшими потерями. Возможно, придется проложить наружную проводку и спрятать ее кабель-каналом. Как вариант, можно попробовать подключиться к розетке, от которой запитана варочная панель – в этой ситуации использовать электрическую варочную панель с машинкой нужно по очереди, дабы не создавать большую нагрузку на электропроводку.
В общем, это и вся установка стиральной машины на кухне – ничего сложного и ничего выходящего за рамки обыденности здесь нет. Все стандартно.
В заключение темы про то, как устанавливается стиральная машина на кухне, остается добавить лишь одно – в частности, сказать о нескольких моментах, которые помогут скрыть эту бытовую технику, установленную на кухне, как нельзя лучше. Во-первых, если позволяет площадь кухни, машинку можно установить в угол – в этих местах, обычно глубина больше, что позволяет закрыть дверками даже полномерную бытовую технику. Во-вторых, можно приобрести узкую стиральную машину и установить ее в любом месте кухни – такая техника в любом случае закроется дверками.
Спрятать в шкаф тумбу
Скрытый монтаж требует использования шкафа под стиральную машину. Техника подходит не к каждому дизайну кухонного гарнитура. Машинка может не поместиться в нишу, если не хватает хотя бы 1 см. При таком варианте стиральная машина располагается не на полу, а встраивается над нижней полкой шкафа, а хозяйке не надо сильно нагибаться и приседать.

Если выбирается машинка под готовую кухню, то задача упрощается, поскольку производители изготавливают множество разной встраиваемой техники, отличающейся по габаритам. Нередко сохраняется возможность выбрать устройство по размерам, которые будут прекрасно вписываться в заготовленную нишу.
Стандартные размеры шкафа под стиралку:
- Ширина — от 45 до 70 см.
- Высота — от 50 до 130 см.
- Глубина — от 33 до 85 см.

Дверцы используются при необходимости спрятать технику из-за непривлекательного внешнего вида. Для этого придется собрать дополнительную тумбочку, или прикрепить фасад к боковине стоящего рядом элемента кухонного гарнитура.
Размещение в нише
При проведении ремонта в ванной комнате можно предусмотреть специальное место для стирального агрегата, отгородив часть площади влагостойким ГВЛ, стеклянными блоками, пеноблоками. Перегородки отделывают керамической плиткой, сохраняя таким образом единство стилевого решения ванной.
Такое подобие небольшой постирочной можно обустроить максимально удобно – оборудовать в верхней части полки и крючки, установить подвесной шкафчик, закрепить полотенцесушитель. Важным условием размещения машинки в нише является наличие боковых зазоров не меньше 3 см, отверстий для вывода шлангов и электрического шнура.
Встроенная стиральная машина на кухне: выбираем «правильную» модель
Ассортимент стиральных машин действительно огромен. При выборе ориентируются на множество параметров: внешний вид, функционал, вместительность, бренд, стоимость и т.д
Не лишним будет обратить внимание на те характеристики, которые могут затруднить или, наоборот, облегчить проектирование встроенного шкафа под стиральную машину в ванной или на кухне
Встраиваемая модель или нет?
Для встраиваемых моделей все просто. В документации приводятся все необходимые параметры для встройки стиральной машины в мебель. Если вы остановили свой выбор именно на встраиваемой стиральной машине, то остальные критерии выбора можете не читать.
Какая глубина у стиралки?
По высоте и ширине основная масса невстраиваемых моделей одинакова – 850 мм и 600 мм соответственно. Имеет значение глубина техники. Для малогабаритных кухонь и ванных комнат, где неплохо бы заузить столешницу с одной стороны до 500 мм лучше выбирать узкие модели, глубиной до 440-450 мм. Если столешницу со стороны стиралки планируется оставить стандартной ширины, 600 мм и закрывать ее фасадами также не нужно – этот критерий выбора значения не имеет.
Если предполагается, что встроенный шкаф под стиральную машину будет с дверцами, необходимо увеличить ширину ниши на толщину петель. Чтобы, в случае необходимости, ее можно было выдвинуть без съема фасадов и столешницы – ширина зазоров позволит это сделать.
Снимается ли верхняя крышка или нет?
Для того чтобы можно было встроить стиральную машину под столешницу кухонного гарнитура стандартной высоты 850 мм, с агрегата необходимо снять крышку. В некоторых моделях это сделать невозможно – точнее бессмысленно, из-за заходящей панели управления на крышку.
Чтобы встроить стиральную машину в шкаф под столешницу с заходящей на крышку панелью управления, придется увеличивать высоту столов кухонного гарнитура. Без проблем, если при этом плита, неотъемлемая спутница любой кухни – встраиваемая, состоящая из духового шкафа и варочной панели.
А если плита отдельностоящая, стандартной высоты 850 мм? Из-за встроенной стиральной машины на кухне уровень столешницы будет проходить выше – на уровне 880-890 мм от пола. Тут выход один, проектировать под плиту своеобразный подиум, чтобы приподнять ее на одну линию с рабочей поверхностью.
Какая форма у панели управления?
Дизайнеры бытовой техники отходят от классических прямых очертаний. Нередко стиральная машина имеет привлекательную обтекаемую форму
Обратите внимание на верхнюю панель управления – если она скошена и «уходит» вглубь, после встройки стиралки в шкаф кухни емкость под порошки станет недоступна из-за свеса столешницы спереди
Тут два выхода – срезать ограничители у лотка, чтобы он вынимался полностью или закладывать моющие средства в барабан машины. Также чересчур выпуклая и выступающая фасадная часть даже при зауженной глубине самого корпуса может не «позволить» закрыть стиралку дверцами. Кстати, по поводу установки фасадов: верхняя петля должна быть врезана ниже стандартного отступа в 100 мм, чтобы не блокировать выдвижение лотка. Лучше опустить ее и врезать ниже, скажем на уровне 200 мм от края (смотрите по высоте панели управления).
Способы встраивания техники
Чтобы выбрать способ встраивания, для начала следует определиться с помещением для домашней помощницы. Классическим местом расположения машинки считается ванная. Здесь всегда найдется место для грязного белья и бытовой химии, а сам процесс стирки не будет отвлекать от других домашних дел.
Мы предлагаем вашему вниманию подборку фото, на которых вы увидите различные способы встраивания стиральных машин в ванной.
Если размеры ванной комнаты не позволяют расположить технику, альтернативой станет кухня. Здесь собрано большинство бытовых приборов, поэтому хозяйке будет легко контролировать несколько процессов, стирку в том числе. К кухонной мойке подведена вода, и там же установлен канализационный слив, значит, подключить машинку к коммуникациям будет несложно. Некоторые пользователи специально выбирают кухню для размещения стиральной машины, оберегая ее от высокого уровня влажности в ванной.
Чтобы техника не выделялась на общем фоне, можно использовать наиболее популярный способ – разместить стиральную машину под столешницей. В таком случае агрегат желательно подобрать в тон основным кухонным приборам. Под общей поверхностью машинка не будет сильно бросаться в глаза и позволит функционально использовать часть столешницы.
Отличное решение – встроить стиральную машину в кухонный гарнитур. Это позволит спрятать агрегат в отдельном коробе за дверкой или панелью и сохранить целостность интерьера. Данный способ технически реализовать сложнее, чем предыдущий, но результат такой работы заслуживает стараний.
Способ встраивания будет зависеть от размеров машинки, площади помещения и финансовых возможностей пользователя. Далее рассмотрим конкретные рекомендации, которые помогут вам определиться с подходящим методом.
Варианты встраивания стиральной машины
Существует большое количество способов установки встроенной стиральной машинки на кухне. Большинство из них направлены на то, чтобы спрятать технику с видного места и не нарушать целостность стиля.
Перед приобретением стиральной машины уточните размеры агрегата – вдруг понравившаяся модель не влезет в нишу, которая для неё предусмотрена
Есть как простые, так и необычные варианты установки. Из последних, например, вариант, когда корпус прячут в нишу под окном.
Один из самых удобных вариантов – вся бытовая техника, требующая подключения воды, размещена рядом с кухонной мойкой
Чтобы правильно выбрать место нужно учитывать три аспекта:
- Удаленность от холодильника, посудомоечной машины и духовки. Их вибрации могут оказывать негативное влияние на работу компрессоров и встроенных вентиляторов.
- Наличие свободного места для загрузки и выгрузки вещей из стиральной машинки (не менее 1 кв.м.).
- Наличие свободного места со стороны подключение патрубков и шлангов для обслуживания и ремонта.
Размещение стиральной и посудомоечной машин рядом друг с другом позволит сделать совместный подвод воды, что сэкономит время и деньги
Некоторые модели встраиваемой бытовой техники выпускаются с петлями на передней панели, предназначенными для закрепления декоративной дверцы
Частичное встраивание
В случае, когда пространство не отличается большими размерами, есть вариант не занимать машинкой то место, которое можно оставить для шкафов, а подготовить отдельную нишу для установки или же подготовить под установку свободную часть комнаты.
Маскировка стиральной машины в нише с вертикальной шторкой
Стационарное размещение
Вариант стационарного крепления подойдет для тяжелых двухкамерных моделей. Такая вариация предполагает установку агрегата на полу, а не встраивание в мебель или предметы интерьера
Важно учесть, что чем массивнее корпус машинки, тем более жестким должно быть основание для установки. Наиболее подходящий вариант – угол комнаты
Вертикальное размещение стиральных машин в углу кухни классического стиля
Вертикальное размещение стиральных машин в углу кухни классического стиля
Стационарное размещение двух стиральных машин на кухне для большой семьи
Полное встраивание
Продумать то, как будет спрятана встроенная стиральная машина на кухне, можно заранее – на этапе проектирования всей кухонной мебели. Нужно всего лишь замерить габариты техники и учесть их при проектировании мебельного набора. Таким образом, стиральный агрегат вычислить будет практически невозможно. Наиболее распространен такой способ для моделей с боковым люком, хотя и модель с вертикальной загрузкой тоже можно спрятать под столешницу.
Отличное решение для стиральной машинки с вертикальной загрузкой
Машинку можно разместить под столешницей кухонного острова, если вас не пугают проблемы, связанные с подводом инженерных коммуникаций
Встраивание в шкаф-тумбу
Очень популярным приемом расположения кухонной мебели является деление мебельного набора на две части. В таком случае навесные шкафы, столешница, разделочная плита, варочная плита и духовка становятся одной единой частью, а шкаф-тумба с мойкой и стиральной машиной располагаются на боковой стене и становятся другой отдельной частью. Этот способ является наиболее оптимальным, если говорить об эргономике, удобстве подключения и долговечности работы бытовой техники.
Под мойкой удобно разместить полочки для хранения стирального порошка и другой бытовой химии
Наличие дверки полностью скроет машинку, когда её не пользуются, и защитит поверхность агрегата от загрязнений
Стиральная машина под столешницей без дверки
Очень распространен вариант установки стиральной машины в специальный “карман”. Другими словами – это часть пространства, подготовленная специально для агрегата, она находится под столешницей, закрыта с двух сторон и укреплена.
Стиральная машинка не будет выделяться на общем фоне, если подобрать её цвет в тон фасадам кухонного гарнитура
Большое преимущество этого варианта в том, что кардинальных вмешательств и переделок в мебели не требуется. Если есть необходимость, технику без труда можно передвинуть, вытащить и поставить обратно на то же место. Причем совсем не обязательно выбирать местом расположения машинки центральную часть кухонного пространства, которая очень важна в планировке. Если модель техники не отличается большими габаритами, например как корпус 60*60см, то ее можно вместить в торцевой части кухонного гарнитура.
Виды и особенности встраиваемых стиральных машин
Встраиваемая техника по установленным программам не отличается от классической машинки. Особенностью её является возможность установки в корпусе мебели и низкий шумовой эффект во время работы. Обусловлено это наличием креплений, снижающих вибрацию. Дополнительным отличием встраиваемой стиральной машины от обычной является наличие выемки под плинтус, расположенной в нижней части корпуса.
Машины с возможностью встроить
Такое оборудование оснащено съемной верхней панелью для установки техники под столешницу. В ряде моделей разработчики предусмотрели прокладку в виде металлической крышки, предотвращающей воздействие влажности и жира. В остальных агрегатах мастера используют поролон.
Однако люк барабана и панель управления в таком оборудовании остаются в полном или частично открытом виде. Поэтому такие стиралки допускается использовать в качестве классического варианта.
Машины с возможностью встраивания оснащены съемной верхней панелью
Полновстраиваемые
Техника предназначена для установки в нишу или фасад мебели. В этом случае передняя часть крепится на петли дверцы, а оборудование фиксируется непосредственно на полу. Нижняя панель закрывается цоколем шкафчика. Высота агрегата регулируется по высоте при помощи ножек.
Полновстраиваемая модель предназначена для установки в нишу или фасад мебели
Размеры встраиваемых стиральных машин
Встроить СМ под столешницу кухонного гарнитура можно несколькими способами. Выбор определенного варианта установки будет зависеть также от габаритов самой техники.
1. Встраиваемые со специальным крепежом для фасадов
На металлические петли фронтальной части машинки навешиваются дверцы шкафа. Это позволяет идеально вписать СМ в интерьер и сделать ее использование более комфортным.
У этого варианта уже изначально заданы размеры, идеальные для встраивания в стандартный кухонный шкаф.
- Ширина для встраивания – 60 см;
- Глубина для встраивания: 55 – 60 см.
- Стандартная высота варьируется в пределах 82-83 см. Регулирующиеся по высоте ножки кухонного гарнитура позволяют идеально подогнать технику по габаритам мебели.
С техникой, изготовленной специально для встраивания, как правило, меньше всего проблем в плане установки и выбора габаритов. Но есть и один весомый недостаток – высокая стоимость.
2. Встраивание под столешницу стационарной стиральной машины с дверцей
Стационарные стиральные машины имеют свой стандарт высоты – 85 см. Но и этот вариант можно установить под столешницу в открытом виде и спрятать за дверцей. Многие производители, подстраиваясь под запросы покупателей, делают верхнюю крышку съемной. Это позволяет уменьшить высоту техники на те самые необходимые 2-3 см.
Разбор важных моментов смотрите в видео:
3. Установка открытой СМ (без дверцы)
Как уже озвучивалось выше, габариты полноразмерных машин, преимущественно именно глубина, не позволяют уместить их за фасадами. Но что, если для большой семьи вместительная стиральная машина всё же необходима? Именно для этого случая и подходит данный способ встраивания.
Этот вариант является также самым простым. Но несколько важных моментов нужно всё-таки учесть еще на этапе планирования кухни:
- заранее заготовить нишу по ширине СМ;
- правильно рассчитать высоту столешницы гарнитура над полом, чтобы стиральная машина идеально вошла по высоте.
Несмотря на то, что интерьер с открытой стиральной машиной выглядит не таким целостным, в таком варианте расположения есть и свои плюсы:
- нет проблем с выбором. Рынок стационарных СМ самый большой. Сложностей не будет как с подбором габаритов, марки, так и с подбором дизайна;
- стоимость таких машин начинается от 9 тысяч рублей.
4. Установка с торца гарнитура или в острове
Нестандартный способ расположения СМ, который в первую очередь потребует полного совпадения глубины нижних шкафов и ширины машины. Как правило, это стандартная величина в том и другом случае равна 60 см.
Таким образом можно расположить даже очень узкие модели СМ глубиной до 35-40 см, если подобрать соответствующий габаритам встраивания модуль кухни.
5. Стиральная машина с вертикальной загрузкой
Чем они выигрывают?
- Во-первых, они очень компактны. Ширина большинства моделей не превышает 40-45 см при глубине в 60 см.
- Во-вторых, их стоимость начинается всего от 4-х тысяч рублей, а выбор на рынке с каждым годом растёт.
Но минус их в том, что модуль для СМ скорее всего понадобится изготовить на заказ, как и откидную столешницу.
Производим замеры
Задумываясь о том, чтобы встроить стиральную машину под столешницу в кухню, необходимо на этой кухне тщательно распланировать пространство, ведь стиралка потребует место, а если учесть размеры кухонь хрущевских домов, то немало места. Для начала расставим точки над «и». Если вы рассчитываете обустроить место, сделать столешницу в кухне со старой мебелью будьте уверены, красиво сделать не получится. Гораздо лучше затеять ремонт на кухне, поменять мебель, а заодно и подготовить место для стиральной машины.

В этой статье мы рассмотрим ситуацию, когда планируется замена мебели на кухне и хозяева захотели встроить уже имеющуюся стиральную машину автомат под будущую столешницу на кухне. С чего вообще начать подготовку к данной работе? А начинать нужно с плана.
- Возьмите лист бумаги, карандаш и ластик. Нарисуйте прямоугольник и отметьте размеры помещения вашей кухни. Если есть какие-то ниши, выступы и другие особенности отметьте их.
- Подумайте и отобразите на плане место расположения наиболее габаритных предметов техники: холодильника, морозильной камеры, посудомоечной машины, электроплиты. Располагайте их с учетом габаритов, рассчитывайте, сколько полезного пространства помещения уже занято.
- На этапе распределения мест для техники подумайте, куда вы бы поставили стиральную машину, чтобы было удобно ею пользоваться.
- Распределив крупную технику, попробуйте оставшееся место оборудовать необходимой мебелью и отобразить идеи на плане. Нужно рассчитать размеры и расположение каждого шкафа и шкафчика, мойки и т.п.
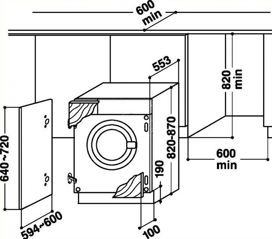
Нишу под стиральную машину нужно рассчитывать тоже очень тщательно. Измерьте точные габариты своей стиральной машины. Не надейтесь на размеры указанные в паспорте, один неучтенный выступ на корпусе и машина может в будущую нишу не встать. Что еще нужно учесть при расчете ниши стиральной машины на кухне под столешницу?
- Глубину ниши под столешницей нужно рассчитывать с порядочным запасом: не менее 10 см от задней стенки машины до стены нужно будет оставить для шлангов и фильтров, передняя панель должна быть полностью утоплена в нишу хотя-бы на 2-3 см.
- Высота стиральной машины регулируется ножками, но высоту самих ножек нужно учитывать при расчете высоты ниши под стиральную машину на кухне. Может получиться так, что придется совсем откручивать ножки, чтобы машина встала в нишу по высоте – так быть не должно.
- Ширина ниши должна быть минимум на 2 см больше ширины корпуса стиральной машины, чтобы была возможность оставить сантиметровые зазоры с боков. Дело в том, что во время отжима на высоких оборотах стиральная машина сильно вибрирует и раскачивается. Если хотите, чтобы вместе с ней раскачивалась вся столешница и весь кухонный гарнитур, можете зазор не делать.
- Конфигурация самой ниши не должна перекрывать беспрепятственный доступ к передней панели стиральной машины. Должны хорошо открываться: люк, кюветка для порошка, люк мусорного фильтра, люк аварийного слива воды. Никакие декоративные планки не должны мешать пользоваться стиралкой.
Готовим место и инструмент
Чтобы в будущем встроить стиральную машину автомат под столешницу на кухне, мало произвести расчеты и нарисовать план. Нужно еще знать технические особенности стиральной машины и особенности подключение ее к коммуникациям.
При подготовке места под стиральную машину нужно позаботиться о доступе ее к воде, к канализации и электричеству. Необходимо вывести отдельную розетку, правильно рассчитав нагрузку, которую создаст машина на электросеть. О том как это сделать прочитайте в статье Как подключить стиральную машину к электричеству. Также нужно организовать подводку от трубы с холодной водой, а также вывод в канализационной трубе или сифоне для слива отработанной воды.
Для того чтобы в будущем стиральную машину подключить к воде, нужно установить кран-тройник на трубу с холодной водой и убедиться, что длины наливного шланга будет достаточно для того, чтобы до этого крана дотянуться. Ну а для организации слива нужно поставить под раковину специальный сифон, имеющий сбоку отвод для подключения сливного шланга. Если у вашего сифона отвод уже есть, то ничего делать не нужно. Убедитесь только, что длины сливного шланга стиральной машины будет достаточно.
Теперь подготовим инструмент. Откроем кладовую и вынем из ящика с инструментами:
- небольшой разводной ключ;
- рожковый ключ на 12 мм;
- строительный уровень;
- ФУМку;
- автомобильный герметик;
- рулетку;
- плоскогубцы.
Установка и подключение
Как показала практика, встраиваемые детали стиральной машины (или других конструкций) имеют свою долю популярности, что, кстати, неудивительно, потому что такие машины могут влиться в любой интерьер, при этом еще и экономить свободное место.
Стиральные агрегаты с сушкой (или же без нее) могут легко скрываться от глаз под мебелью. Давайте поближе разглядим, как же можно смонтировать такое самому.
Монтажные операции
Рассмотрим, какие инструменты нам понадобятся:
- Кухонный шкаф;
- Рулетка;
- Раковина или же стол, если вы хотите установить свой агрегат под эти элементы;
- Детали для крепежа +фурнитура;
- Набор отверток;
- Столярные элементы +лобзик.
Изначально выбирается тип машинки (некоторые мы уже обговаривали выше. Если вы хотите скрыть от лишних глаз присутствие стиральной машинки на кухне, то лучше всего выбрать модель, подходящую под элемент кухонного гарнитура. Такие машинки, возможно, могут конкретно ударить по вашему бюджету, но все может окупиться, если вы хотите элегантную функциональную кухню.
Подключение стиральной машины на кухне
Нужно сразу подключить свою стиральную машину после установки, для того чтобы вы могли сразу ей воспользоваться, как вообще и любая другая конструкция бытовой техники установленной в кухонной технике.
Это вам не просто в розетку вилку воткнуть – данный процесс нужно произвести с необходимым (желательно заранее подготовленным) оборудованием, нужно оснащение технического элемента подачи воды и разобраться со сливом самой машинки. Есть парочка особенностей, которые нужны для подключения конструкции:
- Если в вашем устройстве не будет необходимого оборудования из парочки специальных клапанов, то установка и монтаж будет неполноценным.
- Требуется сифон для подключения к системе канализации.
- Шланг соединяется с трубой слива идущей от мойки. Постарайтесь обеспечить хорошее, качественное, можно сказать идеальное соединение, и такие проблемы как протечки и поломки подобного вида не коснутся вас никогда.
- Сливной патрубок крепится на одной из сторон (бортике) раковины, что является достаточно удобным решением.
Ценный совет! Если вы хотите очень легко, и самое главное, быстро произвести установку и подключение конструкции, то просто сосредоточьте свое внимание на монтаже слива.
После установки конструкции следует проверить расправку патрубка, который должен быть сильно прикреплен без каких либо дефектов (перегибов) и во всю длину.
При собственном желании, если хотите удлинить шланг, рекомендуем пользоваться специальными хомутами, которые значительно упростят крепление соединений.
Встроенный стиральный агрегат на кухне: особенность подключение к водопроводу
Как только вы разберётесь с вопросом о подключении патрубка к системе канализации, можно взяться за вопрос о подключении конструкции к центральному водопроводу. Для этого нужны гибкие шланги диаметром ¾ дюйма. Далее производится монтаж шлангов к холодной воде через трубу водопровода. Если вы хотите, чтобы ваша вода поступала без каких-либо затруднений, рекомендуем использовать отводы, непосредственно идущие от смесителя. Если соблюдать правила техники безопасности и следовать инструкции, то процесс установки деталей довольно легок.
Как мы говорили ранее, установка в кухне (встроенной) стиральной машины – это очень экономное и элегантное решение. Есть множество плюсов и минусов по вопросу местоположение агрегата, однако, если выбрать правильное место, то вы никогда не пожалеете о принятом решении. Для домохозяек функциональная просторная кухня нечто больше, чем просто кухня с обеденным столом.
ТОП магазинов стиральных машин и бытовой техники:
- mvideo.ru/- магазин бытовой техники, большой каталог стиральных машин
- holodilnik.ru – Недорогой магазин бытовой техники.
- techport.ru – выгодный современный интернет магазин бытовой техники
- citilink.ru – современный интернет магазин бытовой техники и электроники, дешевле офлайн магазинов!
- ru.aliexpress.com- запчасти для стиральных машин
Подключение
Для электроснабжения устройства заранее готовиться розетка. Используется отдельная линия электроснабжения для стиралки с автоматическим устройством защиты на 16 ампер.
Провод протягивается от распределительного щитка до розетки, поскольку такая техника относится к отдельной группе потребителей
Минимальное сечение проводов 2,5 мм. К розетке обязательно присоединяется провод заземления.
Водопровод в жилых помещениях комплектуется зачастую трубами из металла и металлопластика
Для подвода жидкости к технике используются резиновые или пластиковые шланги.
Перед установкой прокладывается водопроводная труба или переходник для подключения Шланг перекручивается к переходному вентилю. На резьбу наматывается пакля или сантехнический лен ЧИТАТЬ ДАЛЕЕ: ТОП-20 лучших обогревателей для квартиры – Рейтинг 2020 года
Для пластиковой резьбы используются эластичные прокладки или фум-лента.
Зачастую такие детали идут в комплекте.
Подключение к канализации выполняется несколькими способами:
- Шланг соединяется с сифоном мойки.
- Сливной шланг присоединяется к канализационной трубе на кухне.
Металлический или пластмассовый тройник устанавливается на канализационной вывод
Это изделия в форме буквы Y. В одно ответвление протягивается шланг от мойки, ко второму присоединяется слив от стиралки. Уплотнители устанавливаются на место соединения, чтобы исключить протечки.
Специальный резиновый сифон используется, чтобы избежать попадания неприятных запахов из канализации в стиральную машину.
Гибкий шланг для слива в большинстве случаев входит в комплект с машинкой
Отдельный вентиль используется на трубе, подведенной к машинке. Если возникнут какие-то протечки, достаточно перекрыть трубу, не отключая воду во всей квартире. Периодически необходимо чистить фильтры, чтобы они не забивались.
Фильтрующие устройства устанавливаются, чтобы меньше мусора выходило в канализацию
Кухня со стиральной машинкой выглядит оригинально, создает чувство современности.
- Дизайн и интерьер кухни в стиле шале в доме и городской квартире Особенности стиля Цветовая гамма Материалы отделки Выбор мебели и техники Декор Шторы и текстиль …
- Красивый фартук для кухни из плитки: 50 вариантов на фото Если вам требуется керамическая плитка для кухни на фартук, то к ее выбору следует отнестись со всей ответственностью, …
- Планировка кухни в частном доме — обустройство интерьера и проект дизайна Планировка пространства Как сделать кухню удобной Проходная кухня Установка мойки возле окна Кухня на …
- Пробковый пол на кухне: преимущества и недостатки Пробковое дерево достаточно давно применяется в процессе благоустройства интерьеров. Несмотря на то, что в качестве …
Выбор места
Выбирая расположение бытового прибора, разумно отдать предпочтение месту в непосредственной близости к кухонной мойке. Это упростит подключение машины к коммуникациям для слива и набора воды.
Если такой возможности нет, стоит дополнительно не только позаботиться о соединительных шлангах для удлинения, но и продумать, как их спрятать. Машинку лучше устанавливать вдали от духовки, в противном случае важно обеспечить хорошую теплоизоляцию. Оптимальный вариант – вмонтировать машину под общую столешницу или поставить за отдельной дверцей
Это позволяет не только идеально вписать агрегат в интерьер, но и снизить уровень шума
Оптимальный вариант – вмонтировать машину под общую столешницу или поставить за отдельной дверцей. Это позволяет не только идеально вписать агрегат в интерьер, но и снизить уровень шума.
Агрегат с вертикальной загрузкой удобно разместить в углу помещения.
Что потребуется для установки
Перед покупкой машины заранее необходимо узнать размеры выбранной модели, изготовить (или заказать) под них тумбу и подвести коммуникации к месту установки: воду, канализацию и электричество.
Перед тем как встроить стиральную машину в кухню, необходимо выровнять ножки тумбы (куда она будет встраиваться) и проверить полученный уровень – он должен быть максимально горизонтальным. Затем следует проверить, нет ли препятствий для открывания дверцы и столешницы на угол не менее 90 градусов. В случае неполного открытия дверцы возможны неудобства или поломка.

Тумба с ящиком для белья
Теперь следует перейти к инструментам и материалам, необходимым для установки. Потребуется:
- Уровень для выравнивания и подгонки поверхности до установки, после установки и при установке столешницы.
- Отвертка или шуруповерт (подбираются в зависимости от размера шурупа).
- Карандаш и рулетка для разметки.
- Набор ключей (или разводной ключ) для подвода воды.
- Изолента (или ФУМ).
- Петли для дверцы или столешницы (если модель с вертикальной загрузкой).
- Шурупы (саморезы), длина определяется толщиной поверхностей, к которым будет производиться крепление.
- Клей для дерева и металла.




































